
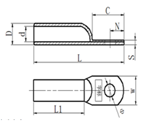
¹ÜѹͽÓÏß¶Ë×ÓÖ÷ÒªÓ¦ÓÃÓÚ»§ÄÚ£¨»ò¸ÉÔïÇéÐÎÏ»§Í⣩35KV¼°ÒÔÏÂÍоµçÀÂÖÕ¶ËÓëµçÆ÷×°±¸Í¶ËÅþÁ¬
4¡¢½ÓÄÉÓÅÖÊT3¼°ÒÔÉÏͲľ«Öƶø³É£¬Íº¬Á¿¡Ý99.7% ¾ßÓÐÓÅÒìµÄµ¼µçÐÔ£¬µ¼µçÂʲ»µÍÓÚ86%IACS¡£ÍÔÖÊÁÏÇкϹú¼Ò±ê×¼£ºGB/T5231-2001¡£

