
HV280LϵÁÐÖ÷ÒªÓ¦ÓÃÓڵ綯Æû³µ¿Õµ÷¡¢PTC¡¢DC/DC¡¢Óͱá¢Æø±Ã¡¢³ý˪¡¢Âý³ä¡¢PDUµÈ¸ßѹСµçÁ÷×°±¸ÉÏ¡£
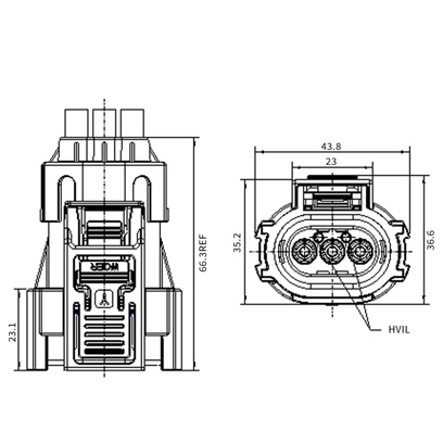
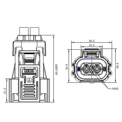
¸Ã²úƷΪËܽºÍâ¿ÇÅþÁ¬Æ÷£¬¾ßÓÐÌå»ýС£¬ÖØÁ¿Çᣬ±ãÓÚ×°Ö㬿ɿ¿ÐԸߡ£¾ßÓжàÖÖ·ÀÎó²å¼ü룬½ÓÏß¹æÄ£´ó£¬360¡ãÆÁÕϵȹ¦Ð§¡£
1¡¢µçÆøÌØÕ÷
¡ö ¶î¶¨µçѹ£º800V DC
¡ö ¶î¶¨µçÁ÷(ÊÂÇéÇéÐÎζÈ30¡æ):
20A(ÊÊÅäµçÀÂ2.5mm?)
25A(ÊÊÅäµçÀÂ4mm?)
40A(ÊÊÅäµçÀÂ6mm?)
¡ö ¾øÔµµç×裺¡Ý2000M¦¸(³£Ì¬)
¡ö ÄÍ Ñ¹£º2750V AC
2¡¢ÆäËû²ÎÊý
¡ö·À»¤Æ·¼¶£ºIP67
¡öÇéÐÎζȣº-40¡æ¡«+125¡æ
¡öÅþÁ¬Æ÷оÊý£ºÁ½Ð¾¡¢Èýо
¡öÅäÏß¹æ¸ñ£º2.5¡«6mm?
¡öµç´ÅÆÁÕÏ£º360¡ãÆÁÕÏ
¡ö»úеÊÙÃü£º¡Ý200´Î
3¡¢ÖÊÁϼ°Íâò´¦Öóͷ£
¡ö¿ÇÌåÖÊÁÏ£ºPA66+GF25
¡ö×èȼƷ¼¶£ºUL94 V-0
¡ö²åÕë¼°²å¿×ÖÊÁÏ£ºÍºÏ½ð
¡öÍâò´¦Öóͷ££º¶ÆÒø/¶ÆÄø
¡öÃÜ·âÌ壺¹èÏð½º
²åÍ·ÐͺÅÃ÷ϸ
| ÐòºÅ | ¶©»õÐͺŠ| ²úÆ·ÐÎò | ÊÊÅäÏßÀ¹æ¸ñ |
| 1 | HV280L62*H02 | ²åÍ·*¼üλ´ø¸ßѹ»¥Ëø²åÍ· | 2.5mm?ÆÁÕÏÏß |
2 | HV280L62*H04 | ²åÍ·*¼üλ´ø¸ßѹ»¥Ëø²åÍ· | 4.0mm?ÆÁÕÏÏß |
| 3 | HV280L62*H06 | ²åÍ·*¼üλ´ø¸ßѹ»¥Ëø²åÍ· | 6.0mm?ÆÁÕÏÏß |
| 4 | HV280L62*N02 | ²åÍ·*¼üλÎÞ¸ßѹ»¥Ëø²åÍ· | 2.5mm?ÆÁÕÏÏß |
| 5 | HV280L62*N04 | ²åÍ·*¼üλÎÞ¸ßѹ»¥Ëø²åÍ· | 4.0mm?ÆÁÕÏÏß |
| 6 | HV280L62*N06 | ²åÍ·*¼üλÎÞ¸ßѹ»¥Ëø²åÍ· | 6.0mm?ÆÁÕÏÏß |
| 7 | HV280L63*H02 | ²åÍ·*¼üλ´ø¸ßѹ»¥Ëø²åÍ· | 2.5mm?ÆÁÕÏÏß |
| 8 | HV280L63*H04 | ²åÍ·*¼üλ´ø¸ßѹ»¥Ëø²åÍ· | 4.0mm?ÆÁÕÏÏß |
| 9 | HV280L63*H06 | ²åÍ·*¼üλ´ø¸ßѹ»¥Ëø²åÍ· | 6.0mm?ÆÁÕÏÏß |
| 10 | HV280L63*N02 | ²åÍ·*¼üλÎÞ¸ßѹ»¥Ëø²åÍ· | 2.5mm?ÆÁÕÏÏß |
| 11 | HV280L63*N04 | ²åÍ·*¼üλÎÞ¸ßѹ»¥Ëø²åÍ· | 4.0mm?ÆÁÕÏÏß |
| 12 | HV280L63*N06 | ²åÍ·*¼üλÎÞ¸ßѹ»¥Ëø²åÍ· | 6.0mm?ÆÁÕÏÏß |
²å×ùÐͺÅÃ÷ϸ
| ÐòºÅ | ¶©»õÐͺŠ| ²úÆ·ÐÎò | ÊÊÅäÏßÀ¹æ¸ñ |
| 1 | HV280L02*H02 | ²å×ù*¼üλ´ø¸ßѹ»¥Ëø²å×ù | 2.5mm?·ÇÆÁÕÏÏß |
2 | HV280L02*H04 | ²å×ù*¼üλ´ø¸ßѹ»¥Ëø²å×ù | 4.0mm?·ÇÆÁÕÏÏß |
| 3 | HV280L062*H06 | ²å×ù*¼üλ´ø¸ßѹ»¥Ëø²å×ù | 6.0mm?·ÇÆÁÕÏÏß |
| 4 | HV280L02*N02 | ²å×ù*¼üλÎÞ¸ßѹ»¥Ëø²å×ù | 2.5mm?·ÇÆÁÕÏÏß |
| 5 | HV280L02*N04 | ²å×ù*¼üλÎÞ¸ßѹ»¥Ëø²å×ù | 4.0mm?·ÇÆÁÕÏÏß |
| 6 | HV280L02*N06 | ²å×ù*¼üλÎÞ¸ßѹ»¥Ëø²å×ù | 6.0mm?·ÇÆÁÕÏÏß |
| 7 | HV280L03*H02 | ²å×ù*¼üλ´ø¸ßѹ»¥Ëø²å×ù | 2.5mm?·ÇÆÁÕÏÏß |
| 8 | HV280L03*H04 | ²å×ù*¼üλ´ø¸ßѹ»¥Ëø²å×ù | 4.0mm?·ÇÆÁÕÏÏß |
| 9 | HV280L03*H06 | ²å×ù*¼üλ´ø¸ßѹ»¥Ëø²å×ù | 6.0mm?·ÇÆÁÕÏÏß |
| 10 | HV280L03*N02 | ²å×ù*¼üλÎÞ¸ßѹ»¥Ëø²å×ù | 2.5mm?·ÇÆÁÕÏÏß |
| 11 | HV280L03*N04 | ²å×ù*¼üλÎÞ¸ßѹ»¥Ëø²å×ù | 4.0mm?·ÇÆÁÕÏÏß |
| 12 | HV280L03*N06 | ²å×ù*¼üλÎÞ¸ßѹ»¥Ëø²å×ù | 6.0mm?·ÇÆÁÕÏÏß |
Ñ¡ÐÍ˵Ã÷
| Ñ¡ÐÍϵÁÐ | HV280L |
| 62 | 62-Á½Ð¾²åÍ· 63-Èýо²åÍ· 02-Á½Ð¾²å×ù 03-Èýо²å×ù |
| A | ¼üλ£ºA¡¢B¡¢D¡¢E |
| H | ¸ßѹ»¥Ëø£ºH-´ø¸ßѹ»¥Ëø N-²»´ø¸ßѹ»¥Ëø |
| 02 | ½ÓÏß¹æ¸ñ£º02-2.5mm?£¬ 04-4.0mm?£¬ 06-6.0mm? |