ÒøºÓ¼¯ÍŹÙÍø

ÖÐÎÄ
Espa?ol Deutsch Portugu¨ºs Fran?ais EN ÖÐÎÄ

WOER (002130): 0 0 (0%)

HV360ϵÁдø¸ßѹ»¥ËøÅþÁ¬Æ÷

Ó¦ÓÃÁìÓò£º

Ö÷ÒªÓ¦ÓÃÓڵ綯Æû³µ¶àºÏÒ»ÉÏ £¬ÅþÁ¬¿Õµ÷ £¬PTCµÈ×°±¸

ÏÂÔØÊÖ²á

¸Ã²úƷΪËܽºÍâ¿ÇÅþÁ¬Æ÷ £¬¾ßÓÐÌå»ýС £¬ÖØÁ¿Çá £¬±ãÓÚ×°Öà £¬¿É¿¿ÐÔ¸ß £¬¿ÉÔÚ¶àºÏÒ»ÉÏÌæ»»Á½¸öÁ½Ð¾½Ó¿Ú £¬½ÚÔ¼±¾Ç®¡£   

HV360ϵÁÐÖ÷ÒªÓ¦ÓÃÓڵ綯Æû³µ¶àºÏÒ»ÉÏ £¬ÅþÁ¬¿Õµ÷ £¬PTCµÈ×°±¸¡£

1¡¢µçÆøÌØÕ÷

¡ö ¶î¶¨µçѹ£º800V DC

¡ö ¶î¶¨µçÁ÷(ÊÂÇéÇéÐÎζÈ30¡æ)£º 

                       20A(ÊÊÅäµçÀÂ2.5mm?)

        25A(ÊÊÅäµçÀÂ4mm?)          

                       400A(ÊÊÅäµçÀÂ35mm?)

¡ö ¾øÔµµç×裺¡Ý2000M¦¸

¡ö ÄÍ  Ñ¹£º2750V AC

2¡¢ÆäËû²ÎÊý

¡ö·À»¤Æ·¼¶£ºIP67

¡öÇéÐÎζȣº-40¡æ¡«+125¡æ

¡öÅþÁ¬Æ÷оÊý£ºËÄо

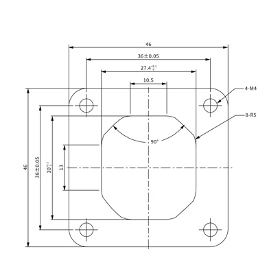
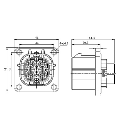
¡öÅäÏß¹æ¸ñ£º2.5¡«6mm?

¡öµç´ÅÆÁÕÏ£º360¡ãÆÁÕÏ

¡ö»úеÊÙÃü£º¡Ý200´Î

3¡¢ÖÊÁϼ°Íâò´¦Öóͷ£

¡ö¿ÇÌåÖÊÁÏ£ºPA66+GF25

¡ö×èȼƷ¼¶£ºUL94 V-0

¡ö²åÕë¼°²å¿×ÖÊÁÏ£ºÍ­ºÏ½ð

¡öÍâò´¦Öóͷ££º¶ÆÒø

¡öÃÜ·âÌ壺¹èÏð½º


²åÍ·ÐͺÅÃ÷ϸ

ÐòºÅ¶©»õÐͺŲúÆ·ÐÎòÊÊÅäÏßÀ¹æ¸ñ
1HV36064AH02²åÍ·A¼üλ ´ø¸ßѹ»¥Ëø²åÍ·2.5mm?ÆÁÕÏÏß
2HV36064AH04²åÍ·A¼üλ ´ø¸ßѹ»¥Ëø²åÍ·4.0mm?ÆÁÕÏÏß
3HV36064AH06²åÍ·A¼üλ ´ø¸ßѹ»¥Ëø²åÍ·6.0mm?ÆÁÕÏÏß

²å×ùÐͺÅÃ÷ϸ

ÐòºÅ¶©»õÐͺŲúÆ·ÐÎòÊÊÅäÏßÀ¹æ¸ñ
1HV36004AH02²å×ùA¼üλ ´ø¸ßѹ»¥Ëø²å×ù2.5mm?·ÇÆÁÕÏÏß
2HV36004AH04²å×ùA¼üλ ´ø¸ßѹ»¥Ëø²å×ù4.0mm?·ÇÆÁÕÏÏß
3HV36004AH06²å×ùA¼üλ ´ø¸ßѹ»¥Ëø²å×ù6.0mm?·ÇÆÁÕÏÏß
Ñ¡ÐÍ˵Ã÷

²úƷϵÁÐHV360
6464-ËÄо²åÍ·   04-ËÄо²å×ù
A¼üλ(Key)£ºA¡¢B¡¢C¡¢D(ÏÖÔÚÖ»ÓÐA¼üλ¿ÉÑ¡)
H¸ßѹ»¥Ëø£ºH-´ø¸ßѹ»¥Ëø   N-²»´ø¸ßѹ»¥Ëø
02½ÓÏß¹æ¸ñ£º02-2.5mm?   04-4.0mm?   06-6.0mm?


·µ»Ø