ÒøºÓ¼¯ÍŹÙÍø

ÖÐÎÄ
Espa?ol Deutsch Portugu¨ºs Fran?ais EN ÖÐÎÄ

WOER (002130): 0 0 (0%)

HPL300ϵÁе¥Ð¾300A´ø¸ßѹ»¥ËøÅþÁ¬Æ÷

Ó¦ÓÃÁìÓò£º

Ö÷ÒªÓ¦ÓÃÔڵ綯¡¢»ìÏý¶¯Á¦Æû³µ¸ßѹÅäµçÏä¡¢³µÔسäµç»úµç³Ø°ü¡¢µç»ú¡¢µç¿ØµÈ¸¨Öú×°±¸ÅþÁ¬ÉÏ ¡£

ÏÂÔØÊÖ²á

Íäͷβ²¿¿ÉÕý·´×ªÏò90¡ã £¬Ê¹ÓÃÀú³ÌÖÐÄܹ»ºÜºÃµÄÀû±ã²¼Ïß ¡£ÔÚ½ô´ÕµÄ¿Õ¼äÄÚ £¬ÔöÌíÁ˸ßѹ»¥ËøÉè¼Æ £¬Äܹ»ÔÚ²åºÏÀú³ÌÖкܺõı£»¤×÷Óà ¡£

¸ÃϵÁÐÅþÁ¬Æ÷ÊÇÉè¼ÆÓڵ綯³µ¡¢»ìÏý¶¯Á¦Êг¡µÄ´óµçÈö²¥ÊäµÄÅþÁ¬Æ÷ £¬¿Éѹ½Ó35ÖÁ70ƽ·½Ïß £¬µçÁ÷ÔØÁ÷¹æÄ£Îª150¡«250A £¬Ö÷ÒªÓ¦ÓÃÔڵ綯¡¢»ìÏý¶¯Á¦Æû³µ¸ßѹÅäµçÏä¡¢³µÔسäµç»úµç³Ø°ü¡¢µç»ú¡¢µç¿ØµÈ¸¨Öú×°±¸ÅþÁ¬ÉÏ ¡£


1¡¢µçÆøÌØÕ÷

¡ö ¶î¶¨µçѹ£º2000V DC

¡ö ¶î¶¨µçÁ÷(ÊÂÇéÇéÐÎζÈ30¡æ)£º

                    150A(ÊÊÅäµçÀÂ35mm?)

       200A(ÊÊÅäµçÀÂ50mm?)   

                    250A(ÊÊÅäµçÀÂ70mm?)

¡ö ¾øÔµµç×裺¡Ý2000M¦¸(³£Ì¬)

¡ö ÄÍ  Ñ¹£º3000V AC

2¡¢ÆäËû²ÎÊý

¡ö ·À»¤Æ·¼¶£ºIP67

¡ö ÇéÐÎζȣº-40¡æ¡«+125¡æ

   ¡ö ÅþÁ¬Æ÷оÊý£ºµ¥Ð¾

¡ö ÅäÏß¹æ¸ñ£º30¡«70mm?µçÀÂ

¡ö »úеÊÙÃü£º¡Ý200´Î

3¡¢ÖÊÁϼ°Íâò´¦Öóͷ£

¡ö ¿ÇÌåÖÊÁÏ£ºÐ¿ºÏ½ð ÂÁºÏ?

¡ö ¿ÇÌåÍâò´¦Öóͷ££º¶ÆÄø»òÆäËû

¡ö ÃÜ·âÌåÖÊÁÏ£ºPA66

¡ö ×èȼƷ¼¶£ºUl94 V-0

¡ö ²åÕë¼°²å¿×ÖÊÁÏ£ºÍ­ºÏ½ð

¡ö Íâò´¦Öóͷ££º¶ÆÒø

¡ö ÃÜ·âÌ壺¹èÏð½º



ֱͷ²åÍ·ÐͺÅÃ÷ϸ

ÐòºÅ¶©»õÐͺŲúÆ·ÐÎòÊÊÅäÏßÀ¹æ¸ñ
1

HPL18*-301-35

ֱͷ*¼üλ´ø¸ßѹ»¥Ëø²åÍ·

35mm?ÆÁÕÏÏß

2

HPL18*-301-50

ֱͷ*¼üλ´ø¸ßѹ»¥Ëø²åÍ·

50mm?ÆÁÕÏÏß

3

HPL18*-301-70

ֱͷ*¼üλ´ø¸ßѹ»¥Ëø²åÍ·

70mm?ÆÁÕÏÏß

4

HPL18*-300-35

ֱͷ*¼üλ²»´ø¸ßѹ»¥Ëø²åÍ·

35mm?ÆÁÕÏÏß

5

HPL18*-300-50

ֱͷ*¼üλ²»´ø¸ßѹ»¥Ëø²åÍ·

50mm?ÆÁÕÏÏß

6HPL18*-300-70ֱͷ*¼üλ²»´ø¸ßѹ»¥Ëø²åÍ·70mm?ÆÁÕÏÏß

˵Ã÷£º¡°*¡±´ú±í¼üλ £¬ÓÐX¡¢Y¡¢WÈýÖÖ¼üλѡÔñ ¡£

ÍäÍ·²åÍ·ÐͺÅÃ÷ϸ

ÐòºÅ¶©»õÐͺŲúÆ·ÐÎòÊÊÅäÏßÀ¹æ¸ñ
1

HPL28*-301-35

ÍäÍ·*¼üλ´ø¸ßѹ»¥Ëø²åÍ·

35mm?ÆÁÕÏÏß

2

HPL28*-301-50

ÍäÍ·*¼üλ´ø¸ßѹ»¥Ëø²åÍ·

50mm?ÆÁÕÏÏß

3

HPL28*-301-70

ÍäÍ·*¼üλ´ø¸ßѹ»¥Ëø²åÍ·

70mm?ÆÁÕÏÏß

4

HPL28*-300-35

ÍäÍ·*¼üλ²»´ø¸ßѹ»¥Ëø²åÍ·

35mm?ÆÁÕÏÏß

5

HPL28*-300-50

ÍäÍ·*¼üλ²»´ø¸ßѹ»¥Ëø²åÍ·

50mm?ÆÁÕÏÏß

6HPL28*-300-70ÍäÍ·*¼üλ²»´ø¸ßѹ»¥Ëø²åÍ·70mm?ÆÁÕÏÏß

˵Ã÷£º¡°*¡±´ú±í¼üλ £¬ÓÐX¡¢Y¡¢WÈýÖÖ¼üλѡÔñ ¡£

²å×ùÐͺÅÃ÷ϸ

ÐòºÅ¶©»õÐͺŲúÆ·ÐÎòÊÊÅäÏßÀ¹æ¸ñ
1

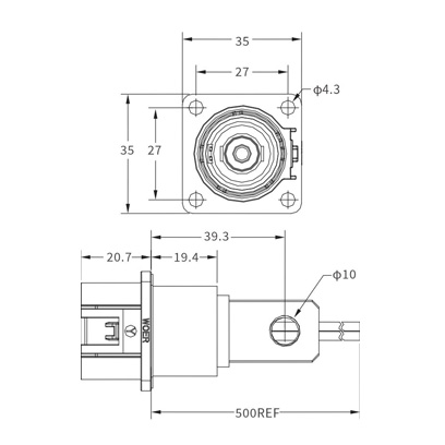
HPL00*-301-10M10

´ø¸ßѹ»¥Ëø*¼üλM10ÂÝÎÆ²å×ù

M10

2

HPL00*-301-10M8

´ø¸ßѹ»¥Ëø*¼üλM8ÂÝÎÆ²å×ù

M8

3

HPL00*-301-10D10

´ø¸ßѹ»¥Ëø*¼üλD10ͨ¿×²å×ù

D10

4

HPL00*-301-10D8

´ø¸ßѹ»¥Ëø*¼üλD8ͨ¿×²å×ù

D8

5

HPL00*-300-10M10

ÎÞ¸ßѹ»¥Ëø*¼üλM10ÂÝÎÆ²å×ù

M10

6HPL00*-300-10M8

ÎÞ¸ßѹ»¥Ëø*¼üλM8ÂÝÎÆ²å×ù

M8
7HPL00*-300-10D10

ÎÞ¸ßѹ»¥Ëø*¼üλD10ͨ¿×²å×ù

D10
8HPL00*-300-10D8ÎÞ¸ßѹ»¥Ëø*¼üλD8ͨ¿×²å×ùD8

˵Ã÷£º¡°*¡±´ú±í¼üλ £¬ÓÐX¡¢Y¡¢WÈýÖÖ¼üλѡÔñ ¡£

Ñ¡ÐÍ˵Ã÷

²úÆ·´úÂë  HPL
18  18-ֱʽ²åÍ·     28-Íäʽ²åÍ·
X  ·ÀÎó²å¼üλ£ºX-X¼üλ   ³ÈÉ«     Y-Y¼üλ   ÐþÉ«     W-W¼üλ   ºìÉ«
301  ¸ßѹ»¥Ëø£ºHVIL   300   ²»´ø¸ßѹ»¥Ëø     301   ´ø¸ßѹ»¥Ëø
50  ½ÓÏß¹æ¸ñ£º35-ÊÊÅä35ƽ·½ÏßÀ     50-ÊÊÅä50ƽ·½ÏßÀ     70-ÊÊÅä70ƽ·½ÏßÀ 

²úÆ·´úÂë  HPL
00  00-²å×ù
X  ·ÀÎó²å¼üλ£ºX-X¼üλ   ³ÈÉ«     Y-Y¼üλ   ÐþÉ«     W-W¼üλ   ºìÉ«
301  ¸ßѹ»¥Ëø£ºHVIL   300   ²»´ø¸ßѹ»¥Ëø     301   ´ø¸ßѹ»¥Ëø
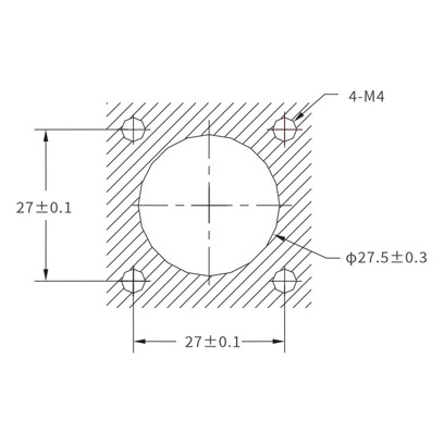
10D  ¿×ÖÖÀࣺ10D-ͨ¿×     10M-ÂÝÎÆ¿×
10

  ¿×/ÂÝÎÆ¹æ¸ñ£º8-¦Õ8ͨ¿×/M8ÂÝÎÆ¿×     10-¦Õ10ͨ¿×/M10ÂÝÎÆ¿×


·µ»Ø